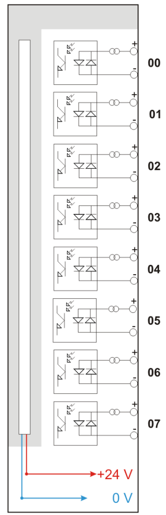
Sie können 8 Eingangssignale (0...7), jeweils zweipolig und potenzialgetrennt, anschließen. Jeder Kanal wird mit Zweidrahttechnik angeschlossen. Durch den Verpolungsschutz wird das Messsignal logisch richtig angezeigt, auch wenn der Anschluss verpolt ist.
Siehe Technische Daten
