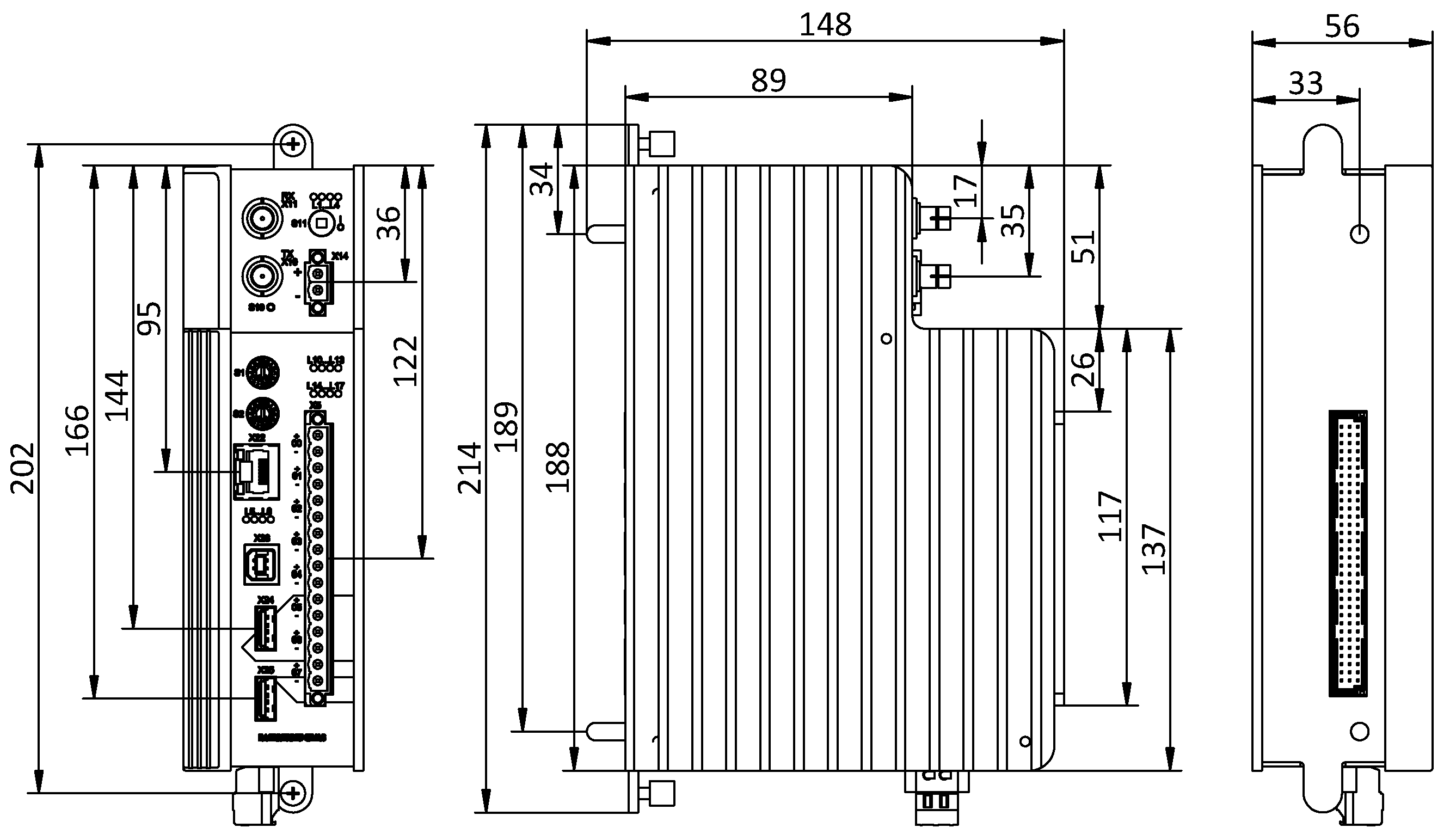
ibaPQU-S

(dimensions in mm)

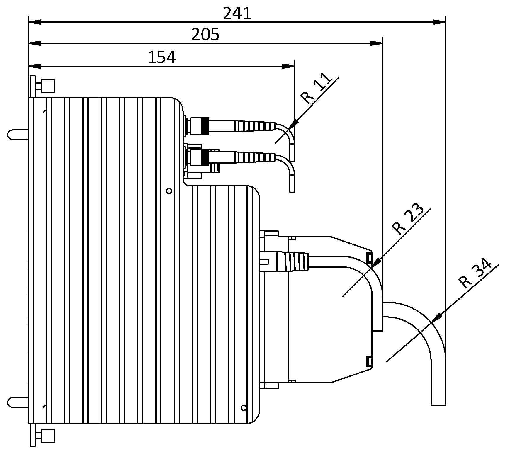
Dimensions ibaPQU-S with cables (dimensions in mm)

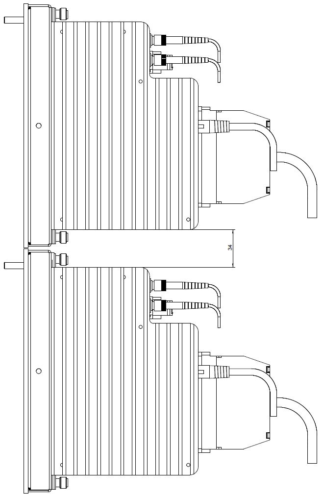
Distance between two ibaPQU-S systems

(dimensions in mm)