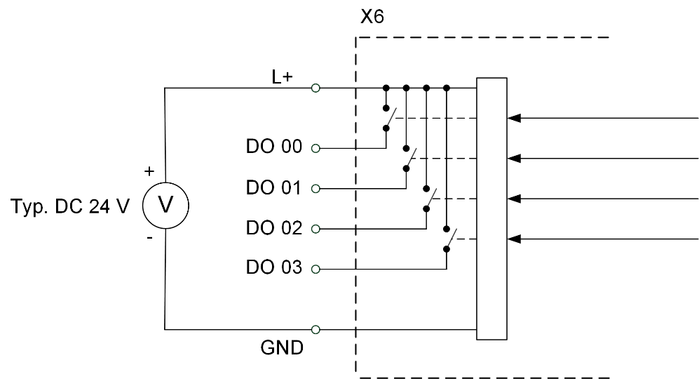
The digital outputs of the module serve as pure high or P switches between the applied load voltage L+ and the four rooted digital outputs [0..3].