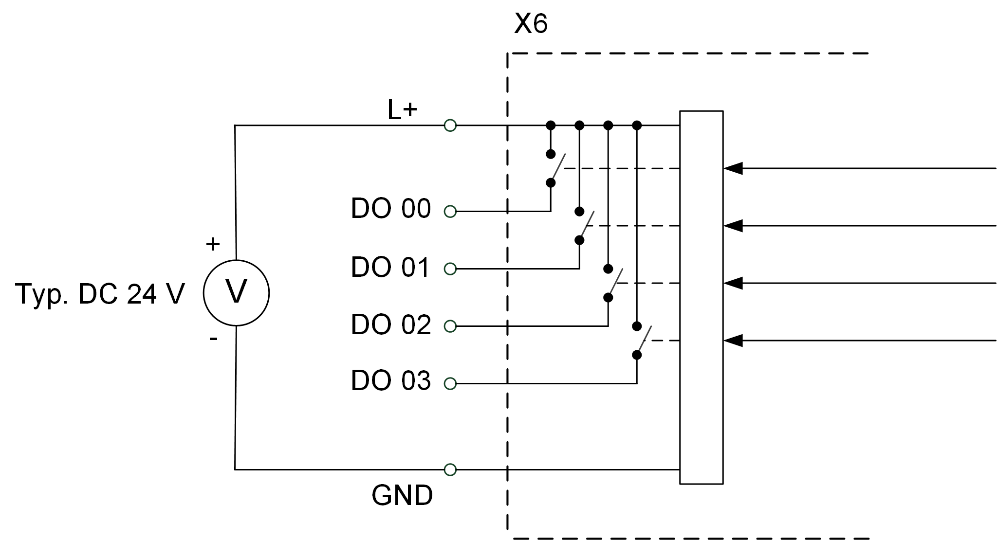
Die digitalen Ausgänge des Moduls fungieren als reine High- bzw. P-Schalter zwischen der angelegten Lastspannung L+ und den vier gewurzelten Digitalausgängen [0..3].