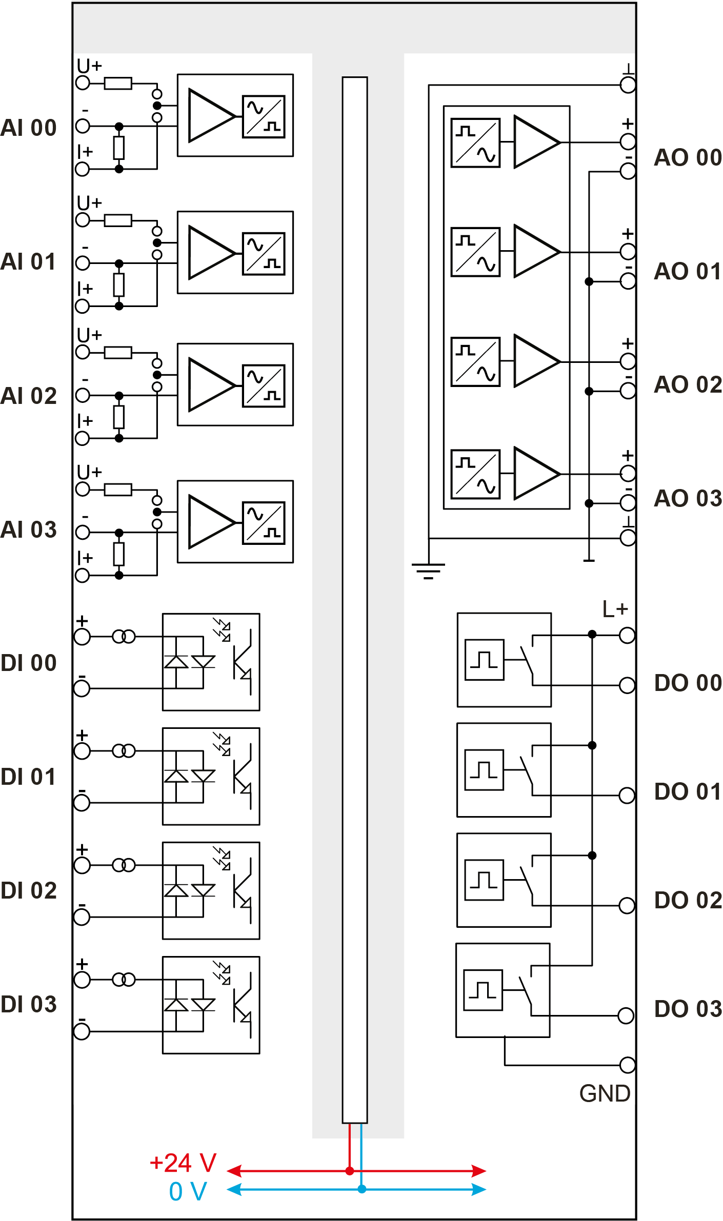
Here, you can connect 4 analog and 4 digital input signals, and 4 analog and 4 digital output signals.