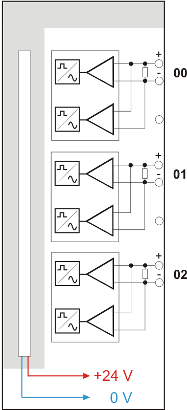
Here, you can connect 3 input signals (0 ... 2), each bipolar and electrically isolated. Each channel is connected by means of two-wire connection.
Connection diagram ibaMS3xAI-1A and ibaMS3xAI-5A
Connection diagram ibaMS3xAI-1A/100A
Pin assignment
|
X1: Pin |
Connection |
LED |
|---|---|---|
|
1 |
Analog input 00 + |
L26 |
|
2 |
Analog input 00 − |
|
|
3 |
Without function |
|
|
4 |
Analog input 01 + |
L27 |
|
5 |
Analog input 01 + |
|
|
6 |
Without function |
|
|
7 |
Analog input 02 + |
L28 |
|
8 |
Analog input 02 − |
LED L29 is not used.

