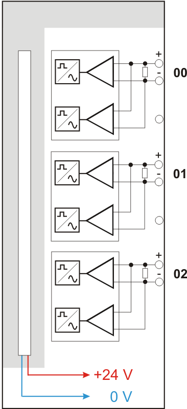
Hier können 3 Eingangssignale (0 ... 2), jeweils zweipolig und potenzialgetrennt, angeschlossen werden. Jeder Kanal wird mit Zweidrahttechnik angeschlossen.

Anschlussdiagramm ibaMS3xAI-1A und ibaMS3xAI-5A
Anschlussdiagramm ibaMS3xAI-1A/100A
Pinbelegung

X1: Pin

Anschluss

LED

1

Analogeingang 00 +

L26

2

Analogeingang 00 −

3

Ohne Funktion

4

Analogeingang 01 +

L27

5

Analogeingang 01 −

6

Ohne Funktion

7

Analogeingang 02 +

L28

8

Analogeingang 02 −

Die LED L29 ist ohne Funktion.