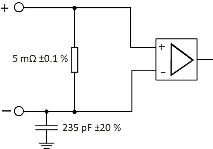
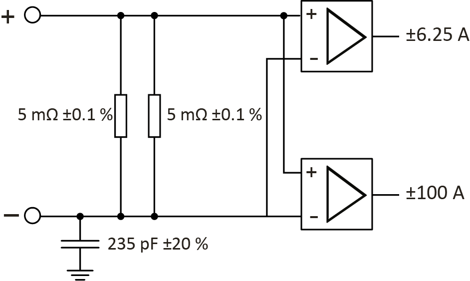
Circuit diagram
The input circuit diagram of one channel is shown here as an example.
ibaMS3xAI-1A
ibaMS3xAI-5A
ibaMS3xAI-1A/100A