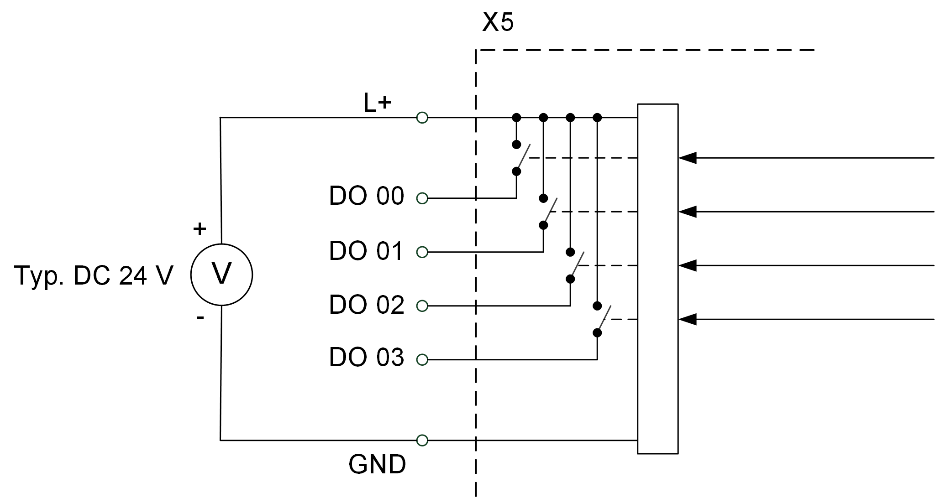
The module's digital outputs function solely as high-level or P-level switches between the applied load voltage L+ and the respective four digital outputs of a root.



Schematic diagram of outputs, for example, upper root X5