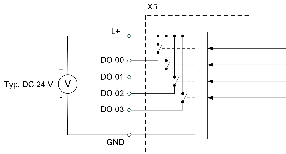
Die digitalen Ausgänge des Moduls fungieren als reine High- bzw. P-Schalter zwischen der angelegten Lastspannung L+ und den jeweils vier gewurzelten Digitalausgängen.



Schaltskizze Ausgänge, beispielhaft obere Wurzel X5