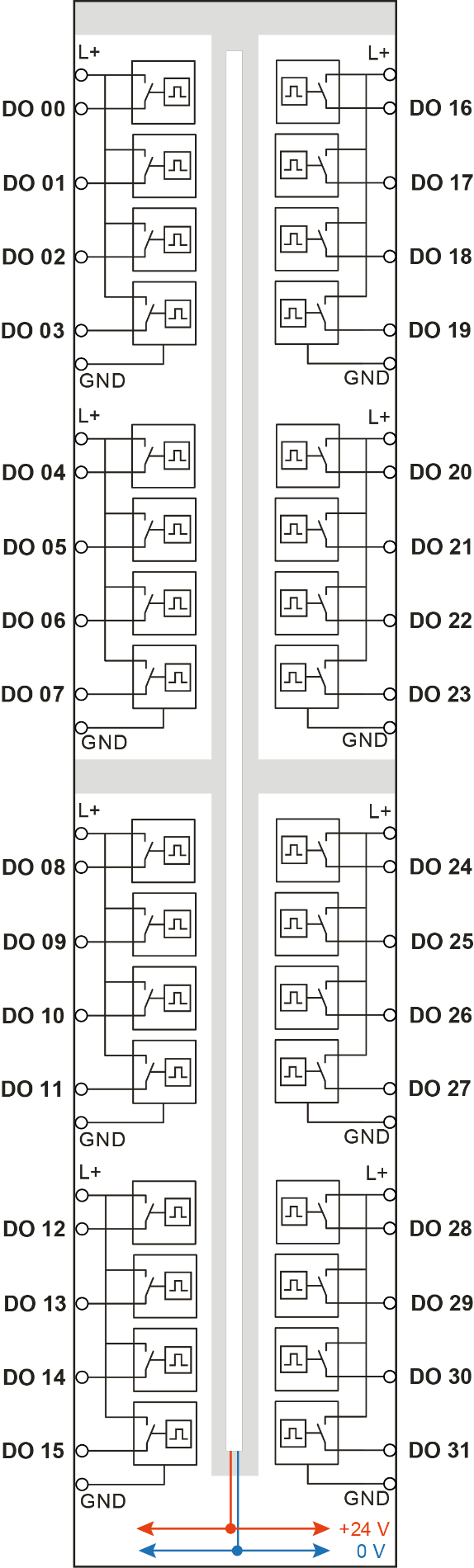
Hier können 32 Ausgangssignale (0...31) angeschlossen werden.
Pinbelegung X5…X8
|
X5: Pin |
Anschluss |
X7: Pin |
Anschluss |
|
|
1 |
Lastspannung (1) L+ |
1 |
Lastspannung (5) L+ |
|
|
2 |
Digitalausgang 00 |
2 |
Digitalausgang 16 |
|
|
3 |
Digitalausgang 01 |
3 |
Digitalausgang 17 |
|
|
4 |
Digitalausgang 02 |
4 |
Digitalausgang 18 |
|
|
5 |
Digitalausgang 03 |
5 |
Digitalausgang 19 |
|
|
6 |
Lastspannung (1) GND |
6 |
Lastspannung (5) GND |
|
|
7 |
Lastspannung (2) L+ |
7 |
Lastspannung (6) L+ |
|
|
8 |
Digitalausgang 04 |
8 |
Digitalausgang 20 |
|
|
9 |
Digitalausgang 05 |
9 |
Digitalausgang 21 |
|
|
10 |
Digitalausgang 06 |
10 |
Digitalausgang 22 |
|
|
11 |
Digitalausgang 07 |
11 |
Digitalausgang 23 |
|
|
12 |
Lastspannung (2) GND |
12 |
Lastspannung (6) GND |
|
|
X6: Pin |
Anschluss |
X8: Pin |
Anschluss |
|
|
1 |
Lastspannung (3) L+ |
1 |
Lastspannung (7) L+ |
|
|
2 |
Digitalausgang 08 |
2 |
Digitalausgang 24 |
|
|
3 |
Digitalausgang 09 |
3 |
Digitalausgang 25 |
|
|
4 |
Digitalausgang 10 |
4 |
Digitalausgang 26 |
|
|
5 |
Digitalausgang 11 |
5 |
Digitalausgang 27 |
|
|
6 |
Lastspannung (3) GND |
6 |
Lastspannung (7) GND |
|
|
7 |
Lastspannung (4) L+ |
7 |
Lastspannung (8) L+ |
|
|
8 |
Digitalausgang 12 |
8 |
Digitalausgang 28 |
|
|
9 |
Digitalausgang 13 |
9 |
Digitalausgang 29 |
|
|
10 |
Digitalausgang 14 |
10 |
Digitalausgang 30 |
|
|
11 |
Digitalausgang 15 |
11 |
Digitalausgang 31 |
|
|
12 |
Lastspannung (4) GND |
12 |
Lastspannung (8) GND |
