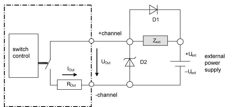
Output channel with external diodes
For load circuits with P switch:
For load circuits with N switch:
When connecting a freewheeling diode:
Optimal wiring with a freewheeling diode