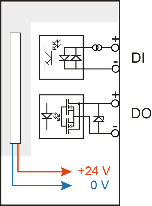
This is a bipolar and electrically isolated digital input. Due to the reverse polarity protection, the measurement signal is indicated logically correct, even if the connection is polarity-reversed.
The DI input can be used to initiate safe shutdown and powering off if a trigger signal indicates that the power supply is interrupted. This is configured in ibaPDA.
Connection diagram for digital input and output:
