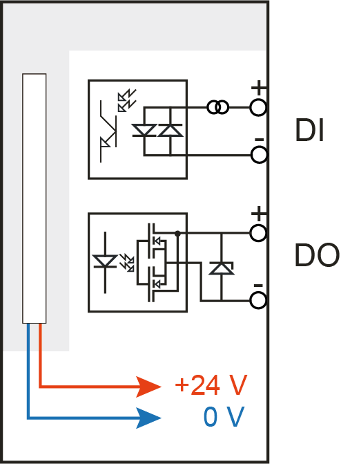
Hier kann ein Eingangssignal, zweipolig und potenzialgetrennt, angeschlossen werden. Durch den Verpolungsschutz wird das Messsignal logisch richtig angezeigt, auch wenn der Anschluss verpolt ist.
Über den Eingang DI kann ein sicheres Herunterfahren und Ausschalten initiiert werden, wenn ein Triggersignal eine Unterbrechung der Spannungsversorgung meldet. Die Konfiguration erfolgt in ibaPDA.
Anschlussschema für den digitalen Ein- und Ausgang:
