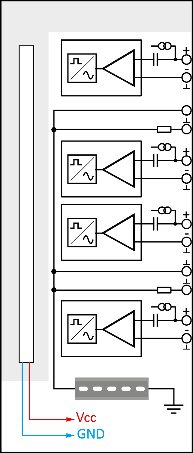
4 input signals can be connected here (0 ... 3), each of which must be bipolar plus ground. Each channel is connected using a two-wire system.
Pin assignment
|
Connector |
Pin |
Connection |
|---|---|---|
|
X1 |
1 |
analog input 00 + |
|
2 |
analog input 00 - |
|
|
3 |
GND |
|
|
4 |
GND 50 Ω |
|
|
5 |
analog input 01 + |
|
|
6 |
analog input 01 - |
|
|
X2 |
1 |
analog input 02 + |
|
2 |
analog input 02 - |
|
|
3 |
GND |
|
|
4 |
GND 50 Ω |
|
|
5 |
analog input 03 + |
|
|
6 |
analog input 03 - |
Caution! |
|
|---|---|
|
Measuring cable
|
|
Circuit diagram 24V DC/AC
The input circuit diagram of one channel is shown here as an example.

