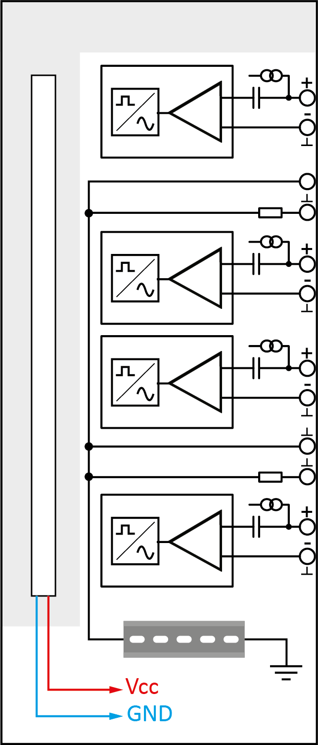
Hier können 4 Eingangssignale (0 ... 3), jeweils zweipolig zzgl. Masse, angeschlossen werden. Jeder Kanal wird mit Zweidrahttechnik angeschlossen.

Pinbelegung

Steckverbinder

Pin

Anschluss

X1

1

Analogeingang 00 +

2

Analogeingang 00 -

3

GND

4

GND 50 Ω

5

Analogeingang 01 +

6

Analogeingang 01 -

X2

1

Analogeingang 02 +

2

Analogeingang 02 -

3

GND

4

GND 50 Ω

5

Analogeingang 03 +

6

Analogeingang 03 -

Schaltschema 24V DC/AC

Exemplarisch wird hier das Eingangsschema eines Kanals gezeigt.