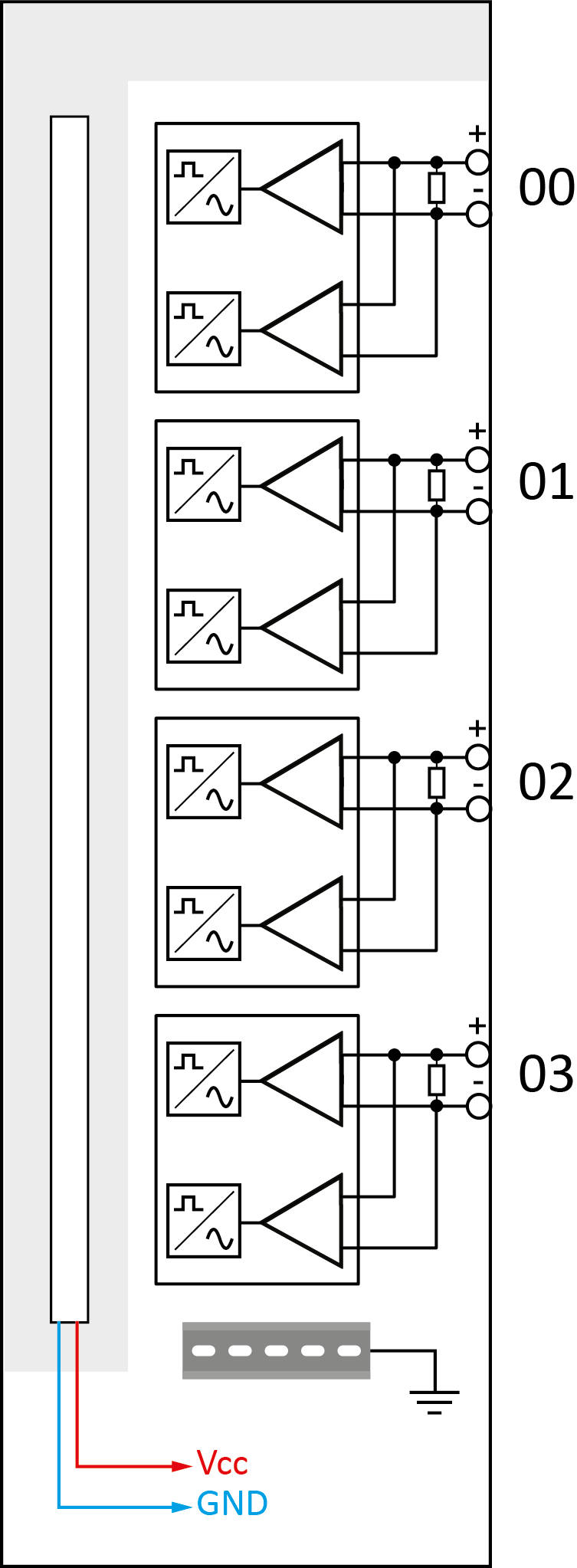
A total of 4 input signals, each bipolar and electrically isolated, can be connected here (0 ... 3). Each channel is connected using a two-wire system.
Pin assignment
|
Connector |
Pin |
Connection |
|
X1 |
1 |
Analog input 00 + |
|
2 |
Analog input 00 - |
|
|
3 |
Analog input 01 + |
|
|
4 |
Analog input 01 - |
|
|
X2 |
1 |
Analog input 02 + |
|
2 |
Analog input 02 - |
|
|
3 |
Analog input 03 + |
|
|
4 |
Analog input 03 - |
Caution! |
|
|---|---|
|
Measuring cable
|
|
