|
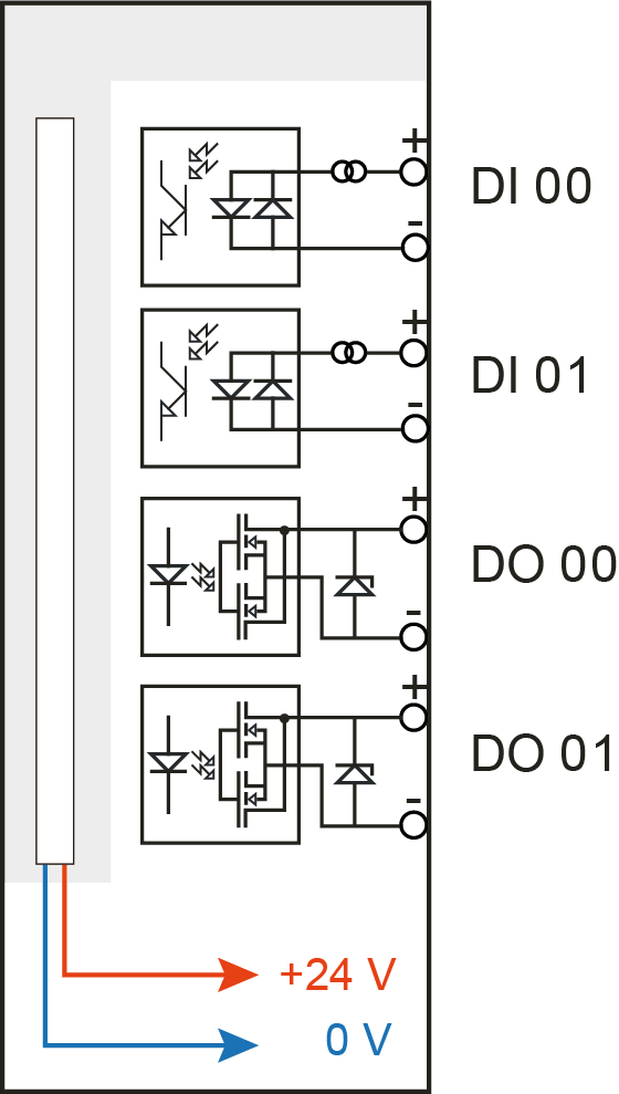
Pin |
Connection |
LED |
|---|---|---|
|
1 |
Digital input 00 + |
DI 00 |
|
2 |
Digital input 00− |
|
|
3 |
Digital input 01 + |
DI 01 |
|
4 |
Digital input 01− |
Note |
|
|---|---|
|
Due to the protective diode in the output of DO 00 as well as DO 01, the load to be switched must be connected to the negative pole (-) and the voltage to the positive pole (+). |
|
