|
Pin |
Anschluss |
LED |
|---|---|---|
|
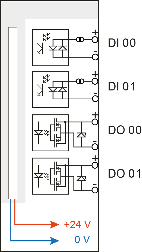
1 |
Digitaleingang 00 + |
DI 00 |
|
2 |
Digitaleingang 00 − |
|
|
3 |
Digitaleingang 01 + |
DI 01 |
|
4 |
Digitaleingang 01 − |
Hinweis |
|
|---|---|
|
Durch die Schutzdiode im Ausgang von DO 00 sowie DO 01 muss die zu schaltende Last am Minus-Pol (-) und die Spannung am Plus-Pol (+) angeschlossen werden. |
|
