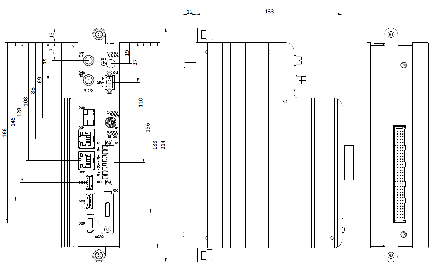
ibaDAQ

(dimensions in mm)

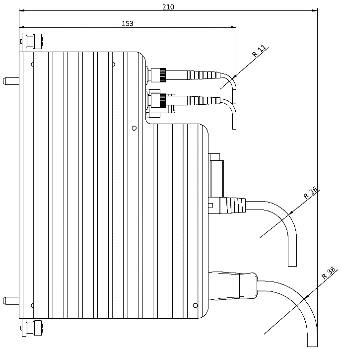
with cables (dimensions in mm)

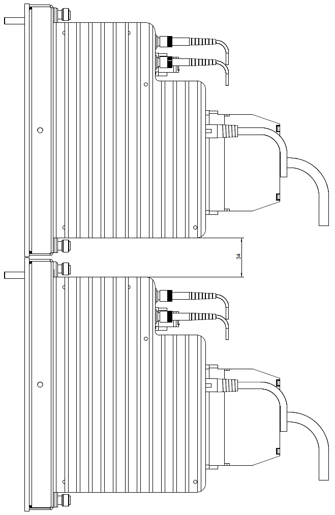
Distance between 2 ibaDAQ systems

Minimum distance between 2 ibaDAQ systems (dimensions in mm)