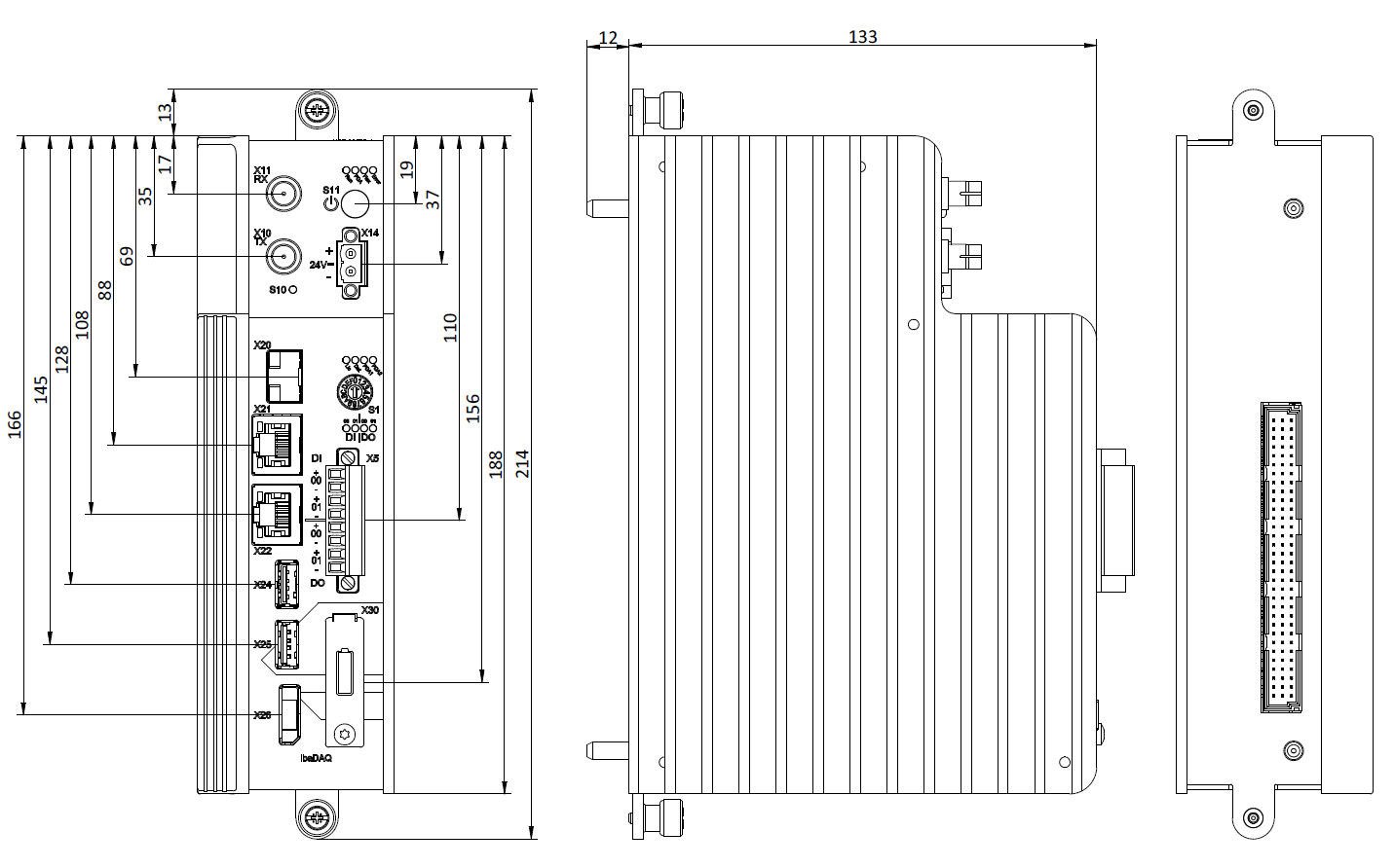
Abmessungen
ibaDAQ
(Maße in mm)
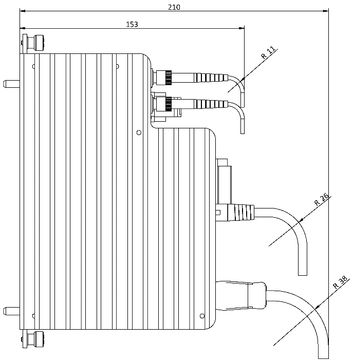
mit Leitungen (Maße in mm)
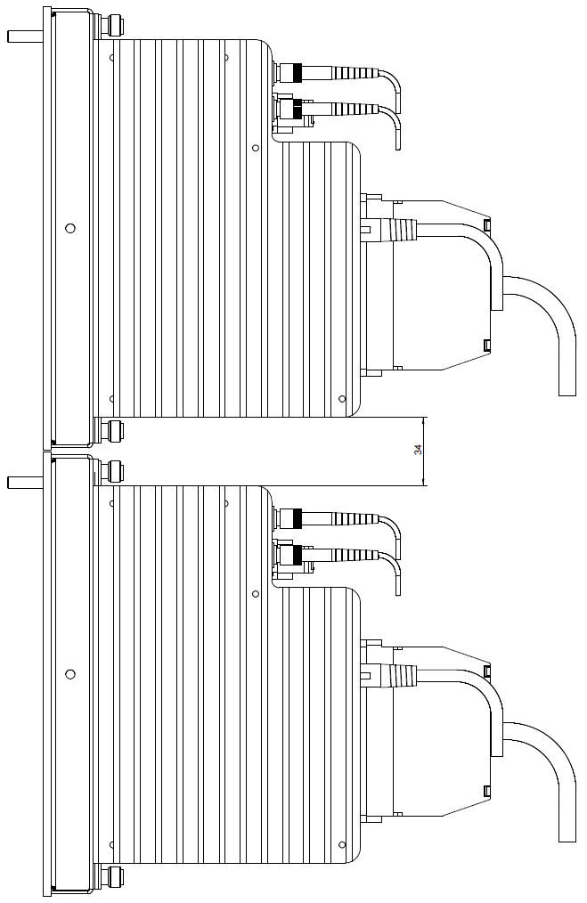
Abstand zwischen 2 ibaDAQ-Systemen
Mindestabstand zwischen 2
ibaDAQ
-Systemen (Maße in mm)